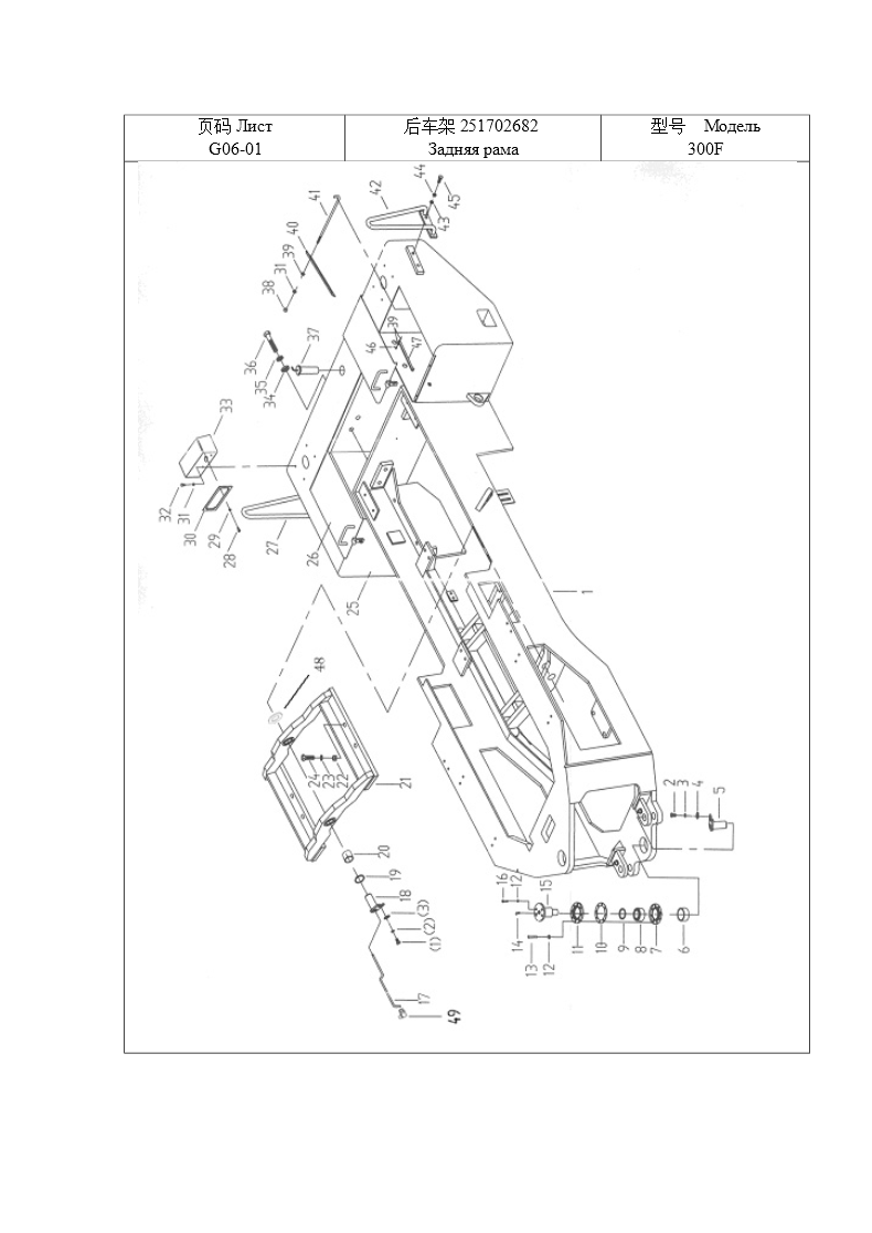
Задняя рама LW300F/LW300FN

№ п/п

Код деталей

Наименование

Коли-во

Примечание

1

251702680

后车架

Задняя рама

1

 

2

805000714

螺栓M10×20

Болт

4

GB/T5783-2000

3

250100183

垫圈

Шайба

4

 

4

805300014

垫圈10

Шайба

4

GB/T93-1987

5

250500158

后转向销

Задний поворотный палец

2

 

6

250100127

钢套

Стальная втулка

2

 

7

250100182

下法兰

Нижний фланец

2

 

8

800511234

关节轴承

кидной подшипник GE60ES

2

GB304.5-81

9

801100113

O形圈

О-образное кольцо

2

GB1235-76

10

250100424

调整垫片

Регулирующая шайба

2

 

11

250100181

上法兰

Верхний фланец

2

 

12

805300018

垫圈12

Шайба

20

GB/T93-1987

13

805000032

螺栓M12×60

Болт

12

GB/T5782-2000

14

801100339

油杯45°M10×1

Масленка M10×1

2

JB/T7940.2-1995

15

250100215

铰接销

Шарнирный палец

2

 

16

805000716

螺栓M12×30

Болт

8

GB/T5783-2000

17

250100870

注油管

Заливная труба

2

 

18

250100212

副车架销

Палец вспомогательной рамы

2

 

19

250200178

铜垫

Медная прокладка

2

 

20

250100180

Гильза

2

 

21

250900177

副车架

Вспомогательная рама

1

 

22

805201458

螺母M24×2

Гайка

8

GB/T6176-2000

23

805300034

垫圈24

Шайба

8

GB/T93-1987

24

805000671

螺栓

БолтM24×2×220

8

GB/T5785-2000

25

250900220

配重

Контргруз

1

 

26

250900227

250900228

左箱盖

右箱盖

Крышка левой коробки

Крышка правой коробки

1

1

 

27

250700106

右后扶手架

Право-задний кронштейн-поручень

1

530D.8.6

28

805100056

螺钉M5×12

Винт M5X12

8

GB/T67-2000

29

805300119

垫圈5

Шайба

12

GB/T97.1-2002

30

252100432

灯后盖板

Задняя перекрышка фары

2

 

31

805300010

垫圈8

Lock Washer

12

GB/T93-1987

32

805000033

螺栓M8×16

Болт

12

GB/T5783-2000

33

252100428

灯架

Рамка фары

8

 

34

805300021

垫圈24

Шайба

2

GB/T97.1-2002

35

805300034

垫圈24

Шайба

4

GB/T93-1987

36

805000032

螺栓M12×60

Болт

4

GB/T5782-2000

37

250100646

牵引销

Буксирный палец

1

 

38

805200045

螺母M8

Гайка

4

GB/T6170-2000

39

805300069

垫圈8

Шайба

12

GB/T97.1-2002

40

250900221

紧锁角钢

Замковая угловая сталь

2

 

41

250900222

紧固螺栓

Болт

4

 

42

250700111

左后扶手架

Право-задний кронштейн-поручень

1

530D.8.5

43

805300013

垫圈16

Шайба

4

GB/T97.1-2002

44

805300011

垫圈16

Шайба

4

GB/T93-1987

45

805000716

螺栓M12×30

Болт

4

GB/T5783-2000

46

805603355

开口销2×20

Шплинт2X20

2

GB/T91-2000

47

252100434

撑杆

Упорный стержень

2

 

48

269900185

调整垫片

Регулирующая шайба

4

TL002001

49

801100336

油杯

Масленка

4

JB/T7940.1-1995