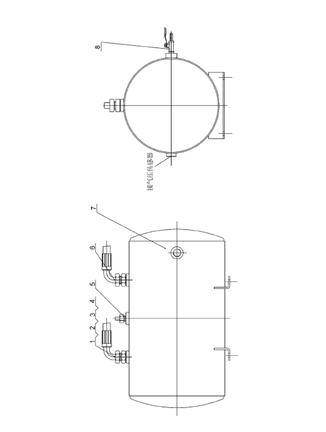
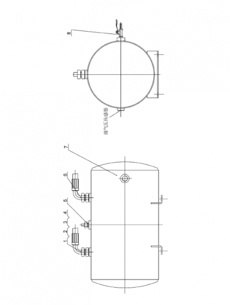
Воздухосборник 500F

№ п/п

Код деталей

Наименование

Коли-во

Примечание

1

251804773

储气缸进气管

Впускной патрубок ресивера

1

 

2

251800289

接头

Соединитель

2

 

3

803164131

O形圈10.6X1.8

О-образное кольцо

2

GB/T3452.1-1992

4

805301414

垫圈22

Шайба

2

Q/SC1294-2000

5

803004050

安全阀

Предохранительный клапан

1

 

6

251804774

储气缸出气管

Впускной патрубок ресивера

1

 

7

250200681

储气缸

Воздушной резервуар

1

 

8

252101539

手动放水阀

Ручной водовыпускной кран

1