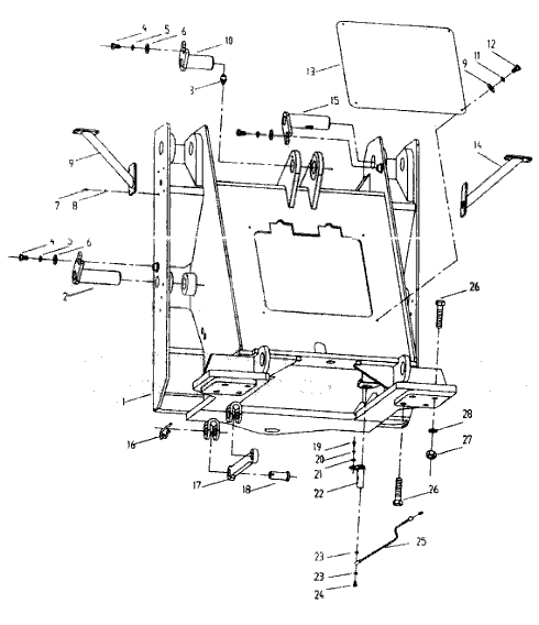
УЗЕЛ ПЕРЕДНЕЙ РАМЫ LW330F(II).08.1 ML333R

Наименование Каталожный номер Комплект
1 Передняя рама LW330F(II).08.1 1
2 Штифт подъемного цилиндра LW330F(II).08.4 2
3 Чашка для смазки JB/T7940.1-1995 5
4 Болт GB5783-86 5
5 Стопорная шайба GB93-87 5
6 Шайба GB96-85 5
7 Болт GB5783-86 12
8 Стопорная шайба GB93-87 8
9 Защитное приспособление передней фары (правой) LW330F(II).08.12 1
10 Штифт цилиндра наклона 320E.8.3 1
11 Шайба GB97.1-85 4
12 Шайба GB95-85 4
13 Пластина передней крышки LW320F(I).18.2 1
14 Защитное приспособление передней фары (левой) LW330F(II).08.11 1
15 Штифт подъемного кронштейна LW330F(II).08.9 2
16 Штифт пружины 85Z.7-15 2
17 Блокировочное звено 85Z.7-12 1
18 Штырь GB882-86 2
19 Болт GB5783-86 2
20 Шайба Z3.8-13 2
21 Стопорная шайба GB93-87 2
22 Передний штифт рулевого управления 320E.8.4 2
23 Стопорная шайба JB982-77 4
24 Болт ZL40.8.4-1 2
25 Трубка Z3.8.12.1 2
26 Болт Z3.2-2 8
27 Гайка Z3.2-1 8
28 Стопорная шайба GB93-87 8