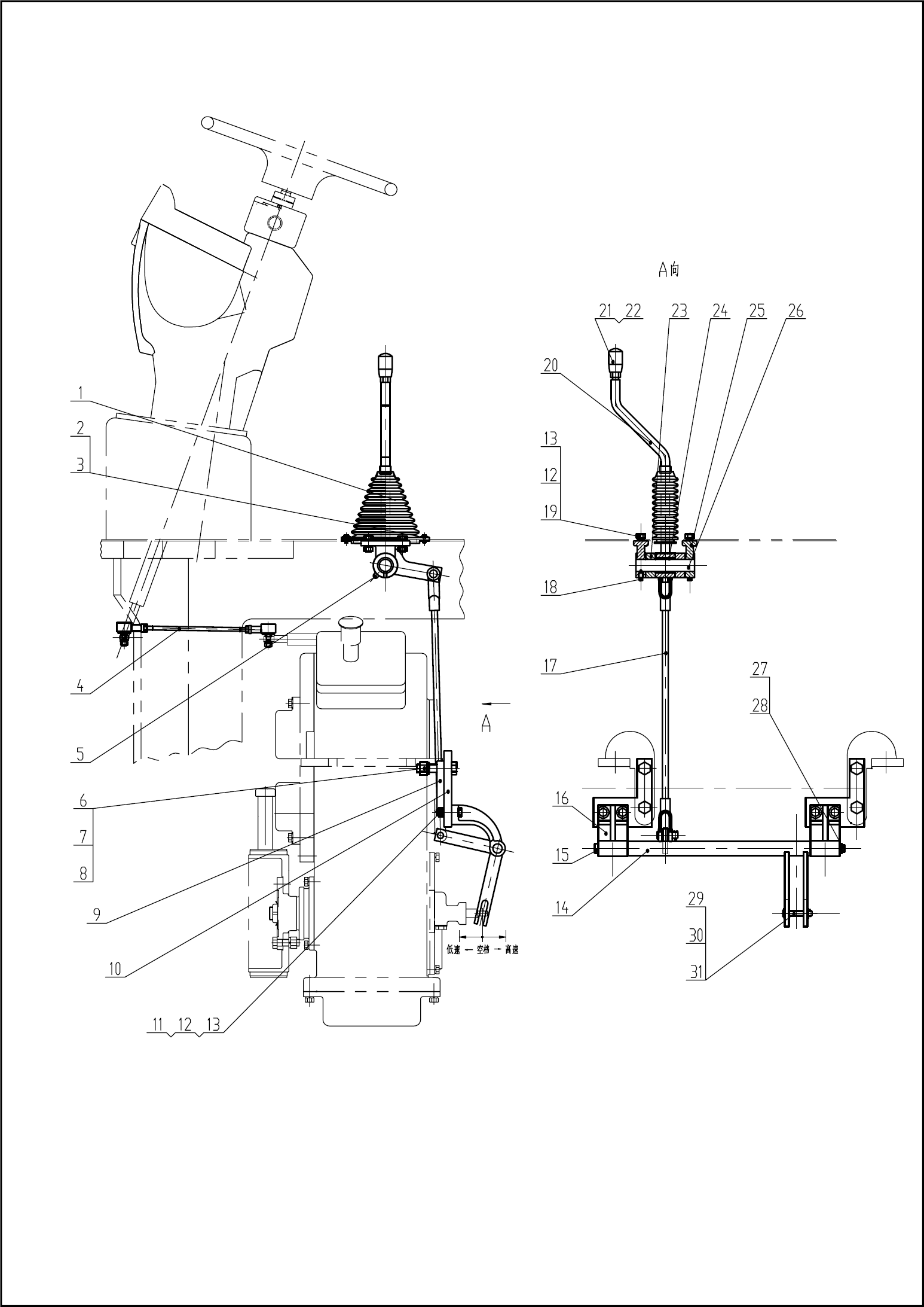
Управление переключением передач 300F

№ п/п

Код деталей

Наименование

Коли-во

Примечание

1

251800359

橡胶套

Резиновая втулка

1

 

2

805100056

螺钉M5×12

Болт

4

GB/T67-2000

3

805300183

垫圈5

Шайба

4

GB/T96.1-2002

4

251700455

联接杆

Соединительный стержень

1

 

5

801100339

油杯45°M10×1

Масленка 45°M10×1

1

JB/T7940.2-1995

6

805000217

螺栓M16X100

Болт

4

GB/T5782-2000

7

805200051

螺母M16

Гайка

4

GB/T6170-2000

8

805300011

垫圈16

Шайба

4

GB/T93-1987

9

250100161

垫板

Шайба

2

 

10

250100162

支承板

Упорная планка

2

 

11

805000207

螺栓M10X45

Болт

4

GB/T5782-2000

12

805200048

螺母M10

Гайка

8

GB/T6170-2000

13

805300014

垫圈10

Шайба

8

GB/T93-1987

14

250100881

下部机构

Часть шасси

1

 

15

250100174

Вал

1

 

16

250100436

支架

Опора

2

 

17

250100882

联接杆

Соединительный стержень

1

 

18

805101818

螺钉M6×16

Болт

2

GB/T86-1988

19

805001924

螺栓M10X25

Болт

4

GB/T5782-2000

20

250900396

操纵杆

Рычаги управления

1

 

21

801902748

手柄球

Шар рукоятки

1

 

22

805200049

螺母M12

Гайка

1

GB/T6170-2000

23

250200195

隔套

Промежуточное тело

2

 

24

250200196

衬套

Гильза

1

 

25

250200197

固定座

Опора

2

 

26

250100413

Вал

1

 

27

805000018

螺栓M8×20

Болт

1

GB/T5783-2000

28

250100437

垫圈

Шайба

1

Z3.7-8

29

805600002

销轴B10X60

Палец вала

1

GB/T882-1986

30

805601544

销2.5X25

Штифт

1

GB/T91-2000

31

805300017

垫圈10

Шайба

2

GB/T97.1-2002