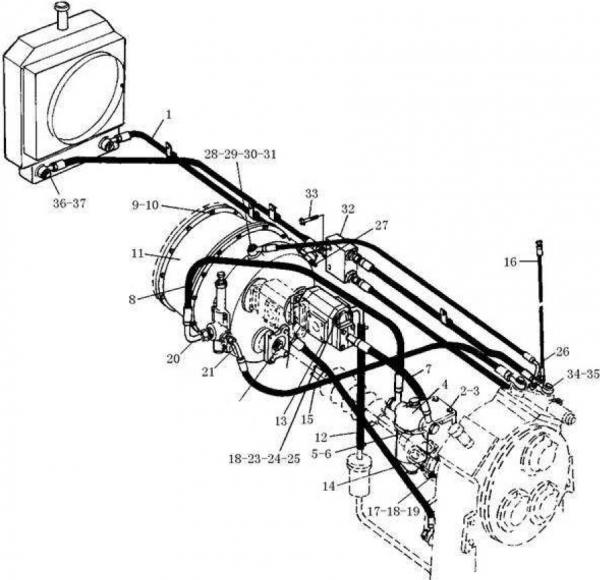
TORQUE CONVERTER SYSTEM LG933

Key Part No.   Description Spare parts Y/N QTY
1 29040008151   HOSE FROM CONVERTER TO RADIATOR Y 1

2

4011000107

螺栓GB5783-M8*30EpZn-8.8

BOLT GB5783-M8*30EpZn-8.8

N

4

3

4015000036

垫圈GB93-8-65Mn

WASHER GB93-8-65Mn

N

4

4

4110000507

滤清器QF60M33G-1

FILTER QF60M33G-1

Y

1

5

4120000125

接头体GB3733.2-G28EpZn-35

JOINT BODY GB3733.2-G28EpZn-35

Y

2

6

4030000013

O形圈GB1235-32*3.1

O-RING GB1235-32*3.1

Y

2

7

2020900044

变速泵至滤清器油管总成

TO OIL FILTER PIPE

 

1

8

29040007871

滤清器至变速箱油管

PIPE

Y

1

9

4015000025

垫圈GB93-10-65Mn

WASHER GB93-10-65Mn

N

12

10

4011000085

螺栓GB5783-M10*35EpZn-8.8

BOLT GB5783-M10*35EpZn-8.8

N

12

11

4110000084

液力变矩器YJ315LG-1

TORQUE CONVERTER YJ315LG-1

Y

1

12

2020900060

变速泵吸油管总成

INTAKE OIL TUBE TO PUMP

Y

1

13

4110000044

变速泵CBGjA2032

SHIFT PUMP CBGjA2032

Y

1

14

2020900046

溢流阀回油管总成

OIL RETURN PIPE ASSEMBLY

 

1

15

2020900053

变矩器至变速阀油管

TO SHAFT VALVE PIPE

Y

1

16

2020900054

变速压力油管总成

SHIFT PRESS VITTA

Y

1

17

4011000125

螺栓GB5786-M12*1.25*35EpZn-8.8

BOLT GB5786-M12*1.25*35EpZn-8.8

N

4

18

4015000026

垫圈GB93-12-65Mn

WASHER GB93-12-65Mn

N

12

19

4013000126

螺母GB889.2-M12*1.25EpZn-8

NUT GB889.2-M12*1.25EpZn-8

N

8

20

3020900020

接头体

CONNECTOR

Y

1

21

3020900035

油压接头

PIPE JIONT

Y

1

22

2020900051

主传动轴

MAIN DRIVE SHAFT

Y

1

23

3060900064

密封垫

SEALING SPACER

Y

1

24

4012000003

螺柱GB898-M12*35EpZn-8.8

DOUBLE-SCREW BOLT GB898-M12*35EpZn-8.8

N

4

26

3020900031

接头

CONNECTOR

Y

1

27

3020900034

变矩器油温传感器接头

THEMOMENTER JOINT

Y

1

28

3020900033

接头

CONNECTOR

Y

1

29

2020900052

回油管

OIL RETURN PIPE

Y

1

30

4011000240

螺栓JB999-M14*1.5*35EpZn-35

BOLT JB999-M14*1.5*35EpZn-35

N

1

31

4030000057

垫圈JB1002-14-T2

WASHER JB1002-14-T2

Y

2

32

2020900059

三通块总成

TEE BLOCK P

Y

1

33

4011000230

螺栓GB16674-M10*65EpZn-8.8

BOLT GB16674-M10*65EpZn-8.8

N

2

34

4030000060

垫圈JB1002-22-T2

WASHER JB1002-22-T2

N

6

35

4011000382

螺栓JB999-M22*1.5*50EpZn-35

BOLT JB999-M22*1.5*50-35

N

3

36

4015000203

垫圈JB1002-24-T2

WASHER JB1002-24-T2

N

6

37

4011000399

螺栓JB999-M24*1.5*50EpZn-35

BOLT JB999-M24*1.5*50-35

N

3