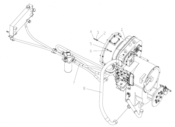
Система гидротрансформатора LG855.02

Ном.

Обозначение

Russian Description

Chinese Description

Размер

Количество

Замечание

1

LG853.02.01

преобразователь крутящего момента в сборе

变矩器总成

 

1

LGS853A.01

2

GB/T6171

гайка

螺母

M10×1

12

 

3

GB/T93

Прокладка

垫圈

10

12

 

4

LG853.02-001

шпильник

双头螺栓

 

12

 

5

GB/T93

Прокладка

垫圈

12

12

 

6

GB/T5782

болт

螺栓

M12×45-8.8

12

 

7

LG855.02.02

двухпеременный маслоканал в сборе

双变油路总成

 

1

 

8

LG853.02-002

Масловсасывающая резиновая труба

吸油胶管

 

1