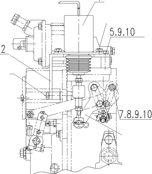
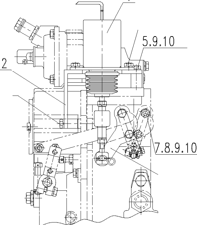
SHUT-OFF GP-ELECTRICAL C6121ZG57a

Ref.

NAME

PART No.

Quantity

59AZ212

1

停机电磁铁/SOLENOID(ENERGIZED TO SHUT DOWN)

59AL214

1

2

电磁铁支架焊接件/BRACKET

59AL202

1

3

停油手柄铆接件/HANDLE AS.

59AL205

1

4

内六角圆柱头螺钉/BOLT

GB/T70-M6×40

1

5

六角头螺栓/BOLT

GB/T5782-M6×40

2

6

六角头螺栓/BOLT

GB/T5783-M6×16

2

7

六角头螺栓/BOLT

GB/T5783-M6×20

2

8

六角螺母/NUT-FULL

GB/T6170-M6

2

9

标准弹簧垫圈/WASHER-SPRING

GB/T93-6

9

10

平垫圈/WASHER

GB/T97.1-6-200HV

9