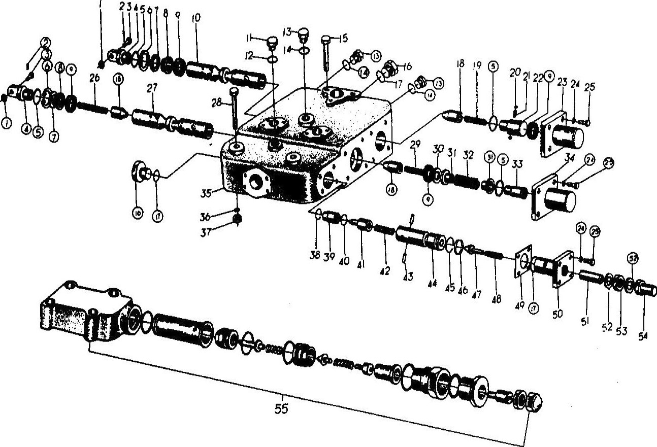
MULTIPLEDIRECTIONALCONTROLVALVE LG936

KEY

PART NO.

DESCRIPTION

 

QTY

REMARKS

1

 

垫圈

WASHER

2

 

2

 

开口销

SPLIT PIN

2

 

3

 

圆肩销

BUTTON PIN

2

 

4

 

弹簧座

SPRING SEAT

2

 

5

 

O 形圈

O-RING

4

 

6

 

挡圈

RING SNAP

2

 

7

 

压紧环

CLAMP RING

2

 

8

 

密封环

SEAL RING

2

 

9

 

骨架油封

SLELETON OIL SEAL

4

 

10

 

动臂滑阀

SLIDE VALVE OF LIFT ARM

1

 

11

 

螺塞

PLUG

1

 

12

 

O 形圈

O-RING

1

 

13

 

螺塞

BOLT

3

 

14

 

O 形圈

PLUG

3

 

15

 

螺栓

BOLT

2

 

16

 

螺塞

PLUG

2

 

17

 

O 形圈

O-RING

2

 

18

 

单向阀

CHECK VALVE

3

 

19

 

弹簧

SPRING

1

 

20

 

钢球

STEEL BALL

2

 

21

 

弹簧

SPRING

1

 

22

 

弹簧座

SPRING SEAT

1

 

23

 

定位套筒

POSITION SLEEVE

1

 

24

 

垫圈

WASHER

12

 

25

 

螺栓

BOLT

12

 

26

 

弹簧

SPRING

1

 

27

 

转斗滑阀

SLIDE VALVE OF TILT ARM

1

 

28

 

螺栓

BOLT

2

 

29

 

弹簧

SPRING

1

 

30

 

垫板

PLATE

2

 

31

 

弹簧压座

SPRING SEAT

2

 

32

 

回位弹簧

RETURN SPRING

1

 

33

 

弹簧座

SPRING SEAT

1

 

34

 

端盖

END COVER

1

 

35

 

阀体

VALVE BODY

1

 

36

 

垫圈

WASHER

4

 

37

 

螺母

NUT

4

 

38

 

钢丝挡圈

WIRED CIRLLIP

1

 

39 回油阀芯 SPOOL FOR OIL RETURN 1

40

 

O 形圈

O RING

1

 

41

 

柱塞阀芯

PLUNGER

1

 

42

 

弹簧

SPRING

1

 

43

 

固定销

MOUNTING PIN

2

 

44

 

安全阀套

SLEEVE OF RELIEF VALVE

1

 

45

 

喷油圈

INJECTION RING

1

 

46

 

钢丝挡圈

WIRED CIRCLIP

1

 

47

 

阀芯

SPOOL

1

 

48

 

弹簧

SPRING

1

 

49

 

调整垫

ADJUST SHIM

1

 

50

 

弹簧压盖

SPRING COVER

1

 

51

 

调压丝杆

REGULATING SCREW

1

 

52

 

垫圈

WASHER

2

 

53

 

螺母

NUT

1

 

54

 

锁紧螺母

LOCKING NUT

1

 

55

 

大小腔双向过载补油阀

SAFETY VALVE

1