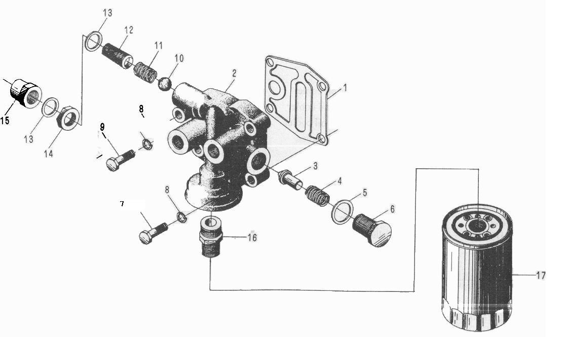
МАСЛЯНЫЙ ФИЛЬТР В СБОРЕ (УСТАНОВКА) (II) YTO

п/п запчасти Наименование Кол-во Прим-е
  6RTF*430000-1 Масляный фильтр в сборе 1  
  6RTF*430100-1 Посадочное место в сборе 1  
1 R430001 Прокладка 1  
2 6RTF*430101-1 Посадочное место фильтра 1  
3 R430111 Корпус перепускного клапана, охлаждение 1  
4 6RTF*430102 Пружина перепускного клапана, охлаждение 1  
5 R430113 Шайба перепускного клапана, охлаждение 1  
6 L6RT III*430114 Установка перепускного клапана, охлаждение 1  
7 GB22-76 Болт М10х40 2  
8 GB93-76 Пружинная шайба 10 4  
9 GB22-76 Болт М10х40 1  
10 GB308-84 Шарик ф 15 мм 1  
11 54*06*413 Пружина предохранительного клапана 1  
12 L6RT III*430109 Главный масляный клапан давления 1  
13 A06-14 Прокладка 2  
14 54*06*467 Контрольная гайка 1  
15 RTF*430118 Гайка клапана давления 1  
16 RTF*430116-1 Центральный переходник 1  
17 JX0818A Винт регулировки 1