МАСЛЯНЫЙ ФИЛЬТР В СБОРЕ (УСТАНОВКА) (I) YTO

п/п запчасти Наименование Кол-во Прим-е
  6RQ2A*4300AZ Масляный фильтр в сборе (установка) 1  
  6RQJ*4300AZ Масляный фильтр в сборе (установка) 1  
  6RG6*4300AZ Масляный фильтр в сборе (установка) 1  
  J1012A-0000 Масляный фильтр в сборе 1  
  J1018A*0 Масляный фильтр J1018 1  
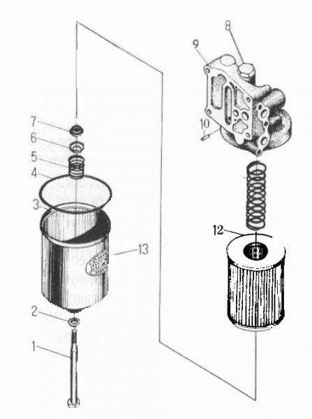
1 J1012A-0016 Стержень 1  
2 J1012A-0017A Шайба 1  
3 J1012A-0100A Внешний корпус в сборе 1  
4 J1012A-0008B Уалотнительное кольцо 1  
5 J1012A-0020 Поддавливающая пружина 1  
6 J1012A-0019 Суппорт 1  
7 J1012A-0018 Уплотнительное кольцо 1  
8 J1012A-0006 Винтовая пробка перепускного клапана 1  
9 J1012A-0011A Крепежный блок 1  
10 J1012A-0010 Штифт 1  
11 J1012-0003 Пружина суппорта 1  
12 J1012-0100 Элемент масляного фильтра в сборе 1  
13 J1012A-0021 Бирка 1