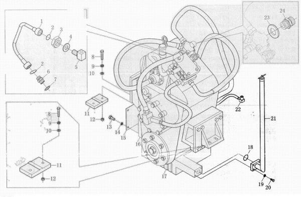
КОРОБКА ПЕРЕДАЧ YTO

п/п запчасти Наименование Кол-во Примечание
1 ZL30.04.1 Масляная труба манометра в сборе 1 ZL30.04.00
2 GB1235-1976 О-Кольцо 11х1.9 2 ZL30.04.00
3 GB6170-1986 Гайка М16х1.5 1 ZL30.04.00
4 GB95-1985 Шайба 16 1 ZL30.04.00
5 ZL30.04-2 Соединение манометра 1 ZL30.04.00
6 JB984-1977 Соединение 10/М14х1.5 1 ZL30.04.00
7 JB982-1977 Шайба 14 1 ZL30.04.00
8 GB5782-1986 Болт М16х90 4 ZL30.04.00
9 GB93-1987 Шайба 16 4 ZL30.04.00
10 GB96-1985 Шайба 16 4 ZL30.04.00
11 ZL30.04-1 Подушка коробки передач 2 ZL30.04.00
12 GB6170-1986 Гайка М16 4 ZL30.04.00
13 GB5783-1986 Болт М10х35 4 ZL30.04.00
14 GB93-1987 Шайба 10 4 ZL30.04.00
15 ZL30.04-6 Пластина 1 ZL30.04.00
16 704-C Фильтр коробки передач 1  
17 Z30.4 Гидравлическая коробка передач 1  
18 GB1235-1976 О-Кольцо 45х3.5 1  
19 GB93-1987 Шайба 8 4  
20 GB5781-1986 Болт М8х25 4  
21 Z30.4.14 Измерительный стержень в сборе 1  
22 ZL30.04.2 Обратная масляная труба в сборе 1  
23 JB982-1977 Шайба 27 1  
24 ZL30.04-3 Соединение 1