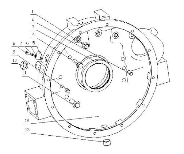
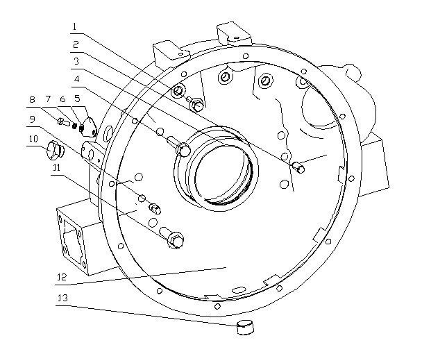
Картер маховика в сборе YC6B125

Позиция на рис. Код детали Наименование детали Количество
1 Q1841230TF2 Болт М12х30 3
2 YC24-B1224 Цилиндрический палец 12х24 1
3 YC209-100125FL Сальник 100х125 1
  YC209-B100125PL Сальник 100х125 1
  YC209-C100125PL Сальник 100х125 1
4 Q1841250TF2 Болт М12х50 3
5 6QA1-1600016 Крышка картера саховика 1
6 Q40106 Шайба 8 1
7 Q40306 Шайба 8 1
8 Q150B0615 Болт М6х15 1
9 6105Q-1600011 Плоский палец 1
10 Q/YC198-18 Пробка М18х1,5 1
11 Q1841450TF2 Болт М14х50 2
12 1640H-1600401 Картер маховика 1
13 Q61906 Пробка NPT3/4 1