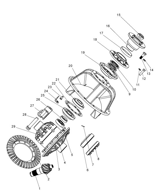
Главный редуктор в сборе 300F

№ п/п

Код деталей

Наименование

Коли-во

Примечание

1

860115446

主传动齿轮

Ведущая шестерня

1

82214204前

82215102后

2

860115254

被动齿轮

Ведомая шестерня

1

82214210前

82215103后

3

 

螺母 M12×1.25

Гайка

12

51040002

4

 

螺栓M12×1.25

Болт

12

75500010

5

860111020

轴承

Подшипник

1

54000001

6

860111029

轴承

Подшипник

2

54100038

7

 

锁紧铁丝ф2×800

Замковая железная проволока ф2×800

2

56000011

8

 

调整螺母

Регулировочная гайка

2

75200100

9

 

油封FB60×80×8

Сальник FB60×80×8

1

53100018

10

860110696

油封B 60×80×8

Сальник B60×80×8

1

53100019

11

 

垫圈12

Шайба

1

52020004

12

 

螺栓M14×1.5×45

Болт

1

50012014

13

 

螺栓M14×1.5×45

Болт

5

75500005

14

 

垫圈14

Шайба

5

52020005

15

 

 

 

1

75500013

16

860115622

 

 

1

82350202

17

 

 

1

75200142

18

860115453

 

 

1

75203629

19

860115512

轴承座

Гнездо подшипника

1

82214206

20

860115536

主减速器壳体

Корпус главного редуктора

1

75201054

21

860111024

轴承27309E

Подшипник

1

54100011

22

 

垫片

Шайба

1组

75200106~2077

23

 

螺栓M10×20

Болт

2

50004003

24

 

锁紧片

Замковая пластина

2

75200054

25

860111023

轴承27310E

Подшипник

1

54100012

26

 

调整隔套组

Группа регулировочного промежуточного тела

1组

82214205

27

 

Крышка

1

75200035

28

 

螺栓M22×2.5

Болт

4

75502601

29

860115256

差速器总成

Дифференциал в сборе

1

82214207