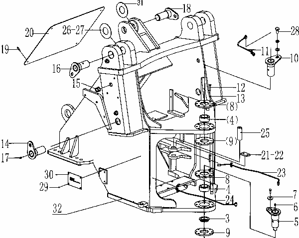
FRONT FRAME LG936

KEY

PART NO.

DESCRIPTION

 

QTY

REMARKS

1

2925000106

开槽螺母

SLOTTED NUT

1

45

2

4016000113

开口销 GB91-6.3*63EpZn-Q235A

SPLIT PIN GB91-6.3*63EpZn-Q235A

1

 

3

3110900003

BUSH

1

40Cr

4

4021000042

关节轴承 GB9163-GE60ES-2RS

BEARING GB9163-GE60ES-2RS

2

 

5

2110900259

下铰接销

DOWN ARTICULATION PIN

1

部件

6

2927000800

油管总成

TUBE ASSEMBLY

1

 

7

4040000001

垫圈 LGB001-12*45*6

WASHER LGB001-12*45*6

7

 

8

3110900004

DISC

2

Q345A

9

3110900005

DISC

2

45

10

2110900260

上铰接销

UP ARTICULATION PIN

1

部件

11

2110900052

油孔引出管

TUBE

1

部件

12

4011000186

螺栓 GB5782-M12*55EpZn-8.8

BOLT GB5782-M12*55EpZn-8.8

16

 

13

4015000026

垫圈 GB93-12-65Mn

WASHER GB93-12-65Mn

20

 

14

4043000110

销轴 LGB301-60*125*235-40Cr

PIN LGB301-60*125*235-40Cr

2

 

15

2925000135

走线胶套

RUBBER SLEEVE

4

橡胶Ⅰ-2

16

4043000111

销轴 LGB301-65*122*235-40Cr

PIN LGB301-65*122*235G-40Cr

2

 

17

4030000065

油杯 JB7940.1-M10*1

GREASE NOPPLE JB7940.1-M10*1

8

部件

18

4043000112

销轴 LGB301-60*95*170-40Cr

PIN LGB301-60*95*170G-40Cr

1

 

19

4011000102

螺栓 GB5783-M8*16EpZn-8.8

BOLT GB5783-M8*16EpZn-8.8

4

 

20

2110900256

前盖板

FRONT HOOD

1

部件

21

2925000111

卡板

PLATE

2

Q235A

22

2925000112

卡板

PLATE

2

Q235A

23

2110900012

右注油管总成

OIL TUBE(RIGHT)

1

部件

24

2110900013

左注油管总成

OIL TUBE(LEFT)

1

部件

25

3110900011

前转向销

FRONT PIN OF STEERING CYLINDER

2

40Cr

26

4043000197

垫片 LGB303-65*140*1

WASHER LGB303-65*140*1

2

 

27

4043000198

垫片 LGB303-65*140*2

WASHER LGB303-65*140*2

2

 

28

4011000197

螺栓 GB5783-M12*25EpZn-8.8

BOLT GB5783-M12*25EpZn-8.8

11

 

29

4019000012

铆钉 GB827-3*5-BL2

CLINCH BOLT GB827-3*5-BL2

4

 

30

4044000029

标牌 LGB402-A1/LG936

NAME PLATE LGB402-A1/LG936

1

 

31

4043000151

垫片 LGB303-60*120*1

SPACER LGB303-60*120*1

4

 

32

2924000401

前车架

FRONT FRAME

1

部件