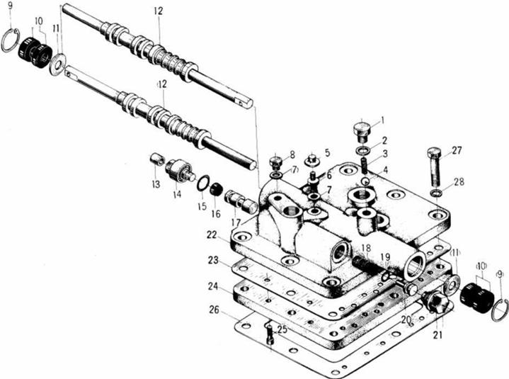
CONTROL VALVE OF GEAR BOX (330101) LG933

Key  Part No.   Description  Spare parts Y/N QTY

1

4110000038340  

BOLT ZL20-039011

 Y  1  

2

4110000038341

垫圈ZL20-039013

WASHER ZL20-039013

Y

 

1

3

4110000038342

弹簧ZL20-039012

SPRING ZL20-039012

Y

 

1

4

4090000008

钢球GB308-9.525-GCr15

STEEL BALL GB308-9.525-GCR15

Y

 

1

5

4110000038343

防尘套 ZL20-039023(Φ10)

DUST BUSHING ZL20-039023(Φ10)

Y

 

1

6

4110000499229

测压接头ZL20-026010A

JOINT ZL20-026010A

Y

 

1

7

4110000038345

测压接头垫圈 ZL20-026009

LOAD JOINT WASHER ZL20-026009

Y

 

2

8

4110000038346

螺塞 Q20-O1 M10*1-6H

PLUG SCREW Q20-O1 M10*1-6H

Y

 

1

9

4015000222

挡圈GB893.2-30-65Mn

SNAP RING

N

 

2

10

4030000639

油封HG4-692-14*30*10

OIL SEAL HG4-692-14*30*10

Y

 

4

11

4110000038348

调整垫圈 ZL20-039010

ADJUSTING WASHER ZL20-039010

Y

 

2

12

4110000038349

变速箱操纵阀总成ZL20-039000S

TRANSMISSION CONTROL VALVE ASS’Y ZL20-039000S

Y

 

1

13

4110000038350

防尘套 ZL20-039022 (Φ10)

DUST BUSHING ZL20-039022 (Φ10)

Y

 

1

14

4110000038351

螺塞 ZL20-039015

PLUG SCREW ZL20-039015

Y

 

1

15

4110000038352

"O"形密封圈 Q26-O1 22*2.5

O-RING Q26-O1 22*2.5

Y

 

1

16

4110000038353

皮碗 ZL20-039016

SLEEVE ZL20-039016

Y

 

1

17

4110000038354

制动滑阀 ZL20-039017

SLIDE VALVE ZL20-039017

Y

 

1

18

4110000499224

弹簧ZL20-039018

SPRING ZL20-039018

Y

 

1

19

4110000038356

0”形密封圈 Q26-O1 16*2

O-RING Q26-O1 16*2

Y

 

1

20

4110000038357

弹簧座 ZL20-039019

SPRING SEAT ZL20-039019

Y

 

1

21

4110000038358

螺塞 ZI20-039021

PLUG SCREW ZI20-039021

Y

 

1

22

4110000038359

阀体 ZL20-039007

VALVE BODY ZL20-039007

Y

 

1

23

4110000038360

纸垫 ZL20-039020 δ0.5

PAPER WASHER ZL20-039020 δ0.5

Y

 

1

24

4110000038361

底板 ZL20-039008

PLATE ZL20-039008

Y

 

1

             

26

4110000038362

纸垫 ZL20-030034

PAPER WASHER ZL20-030034

Y

1

27

4011000451

螺栓GB5782-M10*45EpZn-8.8

BOLT GB5782-M10*45EpZn-8.8

N

8

28

4015000025

垫圈GB93-10-65Mn

WASHER GB93-10-65Mn

N

8