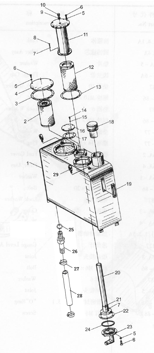
Бак для гидравлического масла 300F

№ п/п

Код деталей

Наименование

Коли-во

Примечание

 

1

251700372

油箱体

Корпус маслобака

1

300F.07.1.1.1

2

803164959

回油滤芯

Фильтр возвратного масла

1

XGHL4-560×10

3

250100457

垫片

Шайба

1

Z3.10.6A-5

4

250100781

法兰盖

Фланцевая крышка

1

Z3.10.6-6A

5

805300014

垫圈10

Шайба

22

GB/T93-1987

6

805000727

螺栓M10×25

Болт

18

GB/T5783-2000

7

805300030

垫圈6

Шайба

12

GB/T93-1987

8

805002022

螺栓M6×18

Болт

6

GB/T5783-2000

9

805301410

垫圈14

Шайба

1

Q/SC1294-2000

10

803107807

螺塞M14×1.5

Болт

1

JB1000-77

11

250100784

吸油盖板

Перекрышка всасывания

1

Z3.10.6A.2

12

803164960

吸油滤芯

Всасывающий фильтр

1

XGXL2-800×100

13

250100439

垫片

Шайба

1

Z3.10.6A-1

14

805000018

螺栓M8×20

Болт

4

GB/T5783-2000

15

805300010

垫圈8

Шайба

10

GB/T93-1987

16

250100786

盖板

Перекрышка

1

Z3.10.6A-3

17

250100451

垫片

Шайба

1

Z3.10.6A-4

18

803164217

加油滤油器

Заправочный фильтр

1

XGKL2-10×0.63

19

803164214

液位计

Указатель уровня

1

YWZ-127

20

250100785

吸油接头

Всасывающее соединение

1

Z3.10.6A.3

21

805000126

螺栓M6×30

Болт

6

GB/T5783-2000

22

251900318

垫圈

Шайба

1

Z3G.10.22-1

23

251700376

法兰接头

Резиновая труба в сборе

1

300F.07.1.1.2

24

801100112

O形密封圈115×3.55

Фланцевое соединение

1

GB/T3452.1-1992

25

805301416

垫圈27

Шайба

1

Q/SC1294-2000

26

250900255

接头

Соединение

1

LW330F.10.21

27

801902699

双钢丝环箍28-32

Кольцевой хомут из двойной стальной проволоки

1

JB3616.1-1984

28

250900257

低压软管

Шланговое соединение

1

LW330F.10-1

29

805100348

螺钉M16

Болт

2

GB/T825-1988