Air Brake System YTO–ZL50D-II
| No. | Parts Name | Drawing No. | Qty. | Assembly No. | 1 | Clamp pipe Front axle pipe Oil joint Washer 12 Bolt M12×35 Nut 12 Front axle pipe Rear axle pipe Add force pump Bolt M22×1.5×35 Washer 22 Pipe Air brake valve Air inlet pipe of brake valve Rear axle pipe Joint Bolt M8×16 Washer 8 Washer 8-140HV Clamp Pressure appearance pipe Rear axle pipe Air outlet pipe of air container Brake pipe | ZL50C-Ⅱ.8.6 | 4 | ZL50C/D-II·08 | 2 | ZL50C-Ⅱ.8.10 | 2 | ZL50C/D-II·08 | 3 | ZL50C-Ⅱ.8-5 | 2 | ZL50C/D-II·08 | 4 | GB 93-1987 | 4 | ZL50C/D-II·08 | 5 | GB 5782-1985 | 4 | ZL50C/D-II·08 | 6 | GB 6170-1986 | 4 | ZL50C/D-II·08 | 7 | ZL50C-Ⅱ.8.11 | 1 | ZL50C/D-II·08 | 8 | ZL50C-Ⅱ.8.5 | 1 | ZL50C/D-II·08 | 9 | XM60T4 | 1 | ZL50C/D-II·08 | 10 | JB999-1977 | 2 | ZL50C/D-II·08 | 11 | JB982-1977 | 4 | ZL50C/D-II·08 | 12 | K13-Q11-720 | 1 | ZL50C/D-II·08 | 13 | XM60C(LT) | 1 | ZL50C/D-II·08 | 14 | K13-A1Q1-650 | 1 | ZL50C/D-II·08 | 15 | ZL50C-Ⅱ.8.7 | 1 | ZL50C/D-II·08 | 16 | ZL50C-Ⅱ.8-8 | 1 | ZL50C/D-II·08 | 17 | GB5783-1986 | 2 | ZL50C/D-II·08 | 18 | GB 93-1987 | 4 | ZL50C/D-II·08 | 19 | GB 97.1-1985 | 2 | ZL50C/D-II·08 | 20 | 1002/1202.48A.035 | 2 | ZL50C/D-II·08 | 21 | ZL50C-Ⅱ.8.12 | 1 | ZL50C/D-II·08 | 22 | ZL50C-Ⅱ.8.8 | 2 | ZL50C/D-II·08 | 23 | ZL50C-Ⅱ.8.3 | 1 | ZL50C/D-II·08 | 24 | Q4-G1C1-530 | 1 | ZL50C/D-II·08 | 
| No. | Parts Name | Drawing No. | Qty. | Assembly No. | |||||||||||||||||||||||||||||||||||||||||||||||||||||||||||||||||||||||||||||||||||||||||||||||||
| 25 | Bolt M8×25 Washer 12 Bolt M12×1.25×30 Rear axle pipe Washer 15 Air outlet pipe Air outlet pipe Air outlet pipe Air outlet pipe Oil & water valve Air inlet pipe Washer 14 Fixing support Bolt M10×30 | GB 5782-1986 | 2 | ZL50C/D-II·08 | |||||||||||||||||||||||||||||||||||||||||||||||||||||||||||||||||||||||||||||||||||||||||||||||||
| 26 | JB982-1977 | 16 | ZL50C/D-II·08 | ||||||||||||||||||||||||||||||||||||||||||||||||||||||||||||||||||||||||||||||||||||||||||||||||||
| 27 | JB/T6013-1992 | 7 | ZL50C/D-II·08 | ||||||||||||||||||||||||||||||||||||||||||||||||||||||||||||||||||||||||||||||||||||||||||||||||||
| 28 | ZL50C-Ⅱ.8.13 | 1 | ZL50C/D-II·08 | ||||||||||||||||||||||||||||||||||||||||||||||||||||||||||||||||||||||||||||||||||||||||||||||||||
| 29 | JB1002-1977 | 2 | ZL50C/D-II·08 | ||||||||||||||||||||||||||||||||||||||||||||||||||||||||||||||||||||||||||||||||||||||||||||||||||
| 30 | ZL50C-II.8.4 | 1 | ZL50C/D-II·08 | ||||||||||||||||||||||||||||||||||||||||||||||||||||||||||||||||||||||||||||||||||||||||||||||||||
| ZL50C-II.8.4A | 1 | ZL50C/D-II·08 | |||||||||||||||||||||||||||||||||||||||||||||||||||||||||||||||||||||||||||||||||||||||||||||||||||
| ZL50C-Ⅱ·8.1 | 1 | ZL50C/D-II·08 | |||||||||||||||||||||||||||||||||||||||||||||||||||||||||||||||||||||||||||||||||||||||||||||||||||
| ZL50D-Ⅱ.8.3 | 1 | ZL50C/D-II·08 | |||||||||||||||||||||||||||||||||||||||||||||||||||||||||||||||||||||||||||||||||||||||||||||||||||
| 31 | SH380A(LT) | 1 | ZL50C/D-II·08 | ||||||||||||||||||||||||||||||||||||||||||||||||||||||||||||||||||||||||||||||||||||||||||||||||||
| 32 | ZL50C-Ⅱ.8.2 | 1 | ZL50C/D-II·08 | ||||||||||||||||||||||||||||||||||||||||||||||||||||||||||||||||||||||||||||||||||||||||||||||||||
| 33 | JB982-1977 | 5 | ZL50C/D-II·08 | ||||||||||||||||||||||||||||||||||||||||||||||||||||||||||||||||||||||||||||||||||||||||||||||||||
| 34 | 1 | ZL50D-II·08 | |||||||||||||||||||||||||||||||||||||||||||||||||||||||||||||||||||||||||||||||||||||||||||||||||||
| 35 | GB5783-1986 | 2 | ZL50D-II·08 | ||||||||||||||||||||||||||||||||||||||||||||||||||||||||||||||||||||||||||||||||||||||||||||||||||
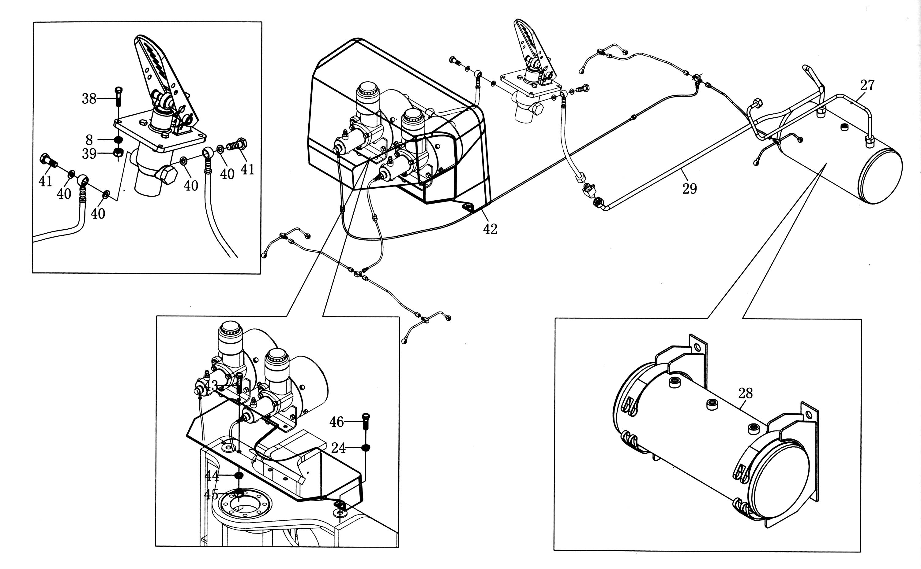
| No. | Parts Name | Drawing No. | Qty. | Assembly No. | 1 | Add force pump Washer 12 Bolt M12×1.25×30 Add force pump front axle oil pipe Front oil pipe Add force pump rear axle oil pipe Bolt M8×25-Zn.D Washer 8-Zn.D Three-tie-in Clamp oil pipe Bolt M8×16-Zn.D Washer 8-140HV-Zn.D Clamp wire assembly Bolt M6×20-Zn.D Pressure board Ⅱ Pressure board weldment Washer 6-140HV-Zn.D Washer 6-Zn.D Nut M6-Zn.D Bolt M10×30-Zn.D Washer 15 Add force pump rear axle oil pipe Three-tie-in Air compressor outlet pipe | XM60T4 | 1 | ZL50CX/DX/D-Ⅲ.08 | 2 | JB982-1977 | 18 | ZL50CX/DX/D-Ⅲ.08 | 3 | JB/T6103-1992 | 9 | ZL50CX/DX/D-Ⅲ.08 | 4 | ZL50C-Ⅱ.8.11 | 1 | ZL50CX/DX/D-Ⅲ.08 | 5 | ZL50C-Ⅱ.8.10 | 2 | ZL50CX/DX/D-Ⅲ.08 | 6 | ZL50C-Ⅱ.8.5 | 1 | ZL50CX/DX/D-Ⅲ.08 | 7 | GB/T5782-1986 | 2 | ZL50CX/DX/D-Ⅲ.08 | 8 | GB/T93-1987 | 8 | ZL50CX/DX/D-Ⅲ.08 | 9 | ZL50C-Ⅱ.8-5 | 2 | ZL50CX/DX/D-Ⅲ.08 | 10 | ZL50C-Ⅱ.8.6 | 4 | ZL50CX/DX/D-Ⅲ.08 | 11 | GB/T5783-1986 | 2 | ZL50CX/DX/D-Ⅲ.08 | 12 | GB97.1-1985 | 2 | ZL50CX/DX/D-Ⅲ.08 | 13 | 1002/1202.48A.035 | 2 | ZL50CX/DX/D-Ⅲ.08 | 14 | GB/T5783-1986 | 2 | ZL50CX/DX/D-Ⅲ.08 | 15 | ZL50D-Ⅱ.8.2-1 | 2 | ZL50CX.08 | 16 | ZL50D-Ⅱ.8.2.1 | 1 | ZL50CX.08 | 17 | GB97.1-1985 | 4 | ZL50CX/DX/D-Ⅲ.08 | 18 | GB/T93-1987 | 4 | ZL50CX/DX/D-Ⅲ.08 | 19 | GB/T6170-1986 | 4 | ZL50CX/DX/D-Ⅲ.08 | 20 | GB/T5783-1986 | 2 | ZL50CX/DX/D-Ⅲ.08 | 21 | JB1002-1977 | 2 | ZL50CX/DX/D-Ⅲ.08 | 22 | ZL50C-Ⅱ.8.13 | 1 | ZL50CX/DX/D-Ⅲ.08 | 23 | ZL50DX.08-1 | 1 | ZL50CX/DX/D-Ⅲ.08 | 24 | ZL50D-Ⅱ.8.1 | 1 | ZL50CX/DX/D-Ⅲ.08 | 
| No. | Parts Name | Drawing No. | Qty. | Assembly No. | |||||||||||||||||||||||||||||||||||||||||||||||||||||||||||||||||||||||||||||||||||||||||||||||||
| 24 | Air compressor outlet pipe Washer 14 Separation valve between oil and water Inlet pipe of air tank Air tank Outlet pipe of air tank Locking support Bolt M6×30-Zn.D Rear axle oil pipe Brake pipe Add force pump rear axle oil pipe Pipe from brake valve to add force pump Inlet pipe of brake valve Air brake valve Bolt M8×30-Zn.D Nut M8-Zn.d Washer 22 Bolt M22×1.5×35 Add force pump support assembly Bolt M12×45-Zn.D Washer 12-Zn.D Nut M12-Zn.D Bolt M12×25-Zn.D Support | ZL50D-II.8.3 | 1 | ZL50CX/DX/D-Ⅲ.08 | |||||||||||||||||||||||||||||||||||||||||||||||||||||||||||||||||||||||||||||||||||||||||||||||||
| 25 | JB982-1977 | 5 | ZL50CX/DX/D-Ⅲ.08 | ||||||||||||||||||||||||||||||||||||||||||||||||||||||||||||||||||||||||||||||||||||||||||||||||||
| 26 | SH380A(LT) | 1 | ZL50CX/DX/D-Ⅲ.08 | ||||||||||||||||||||||||||||||||||||||||||||||||||||||||||||||||||||||||||||||||||||||||||||||||||
| 27 | ZL50C-Ⅱ.8.2 | 1 | ZL50CX/DX/D-Ⅲ.08 | ||||||||||||||||||||||||||||||||||||||||||||||||||||||||||||||||||||||||||||||||||||||||||||||||||
| 28 | ZL50C-Ⅱ.8.1 | 1 | ZL50CX/DX/D-Ⅲ.08 | ||||||||||||||||||||||||||||||||||||||||||||||||||||||||||||||||||||||||||||||||||||||||||||||||||
| 29 | ZL50DX.08.4 | 1 | ZL50CX/DX/D-Ⅲ.08 | ||||||||||||||||||||||||||||||||||||||||||||||||||||||||||||||||||||||||||||||||||||||||||||||||||
| 30 | ZL50DX.08.5 | 1 | ZL50CX/DX/D-Ⅲ.08 | ||||||||||||||||||||||||||||||||||||||||||||||||||||||||||||||||||||||||||||||||||||||||||||||||||
| 31 | GB/T5783-1986 | 2 | ZL50CX/DX/D-Ⅲ.08 | ||||||||||||||||||||||||||||||||||||||||||||||||||||||||||||||||||||||||||||||||||||||||||||||||||
| 32 | ZL50C-Ⅱ.8.8 | 2 | ZL50CX/DX/D-Ⅲ.08 | ||||||||||||||||||||||||||||||||||||||||||||||||||||||||||||||||||||||||||||||||||||||||||||||||||
| 33 | φ4-G1C1-530 | 1 | ZL50CX/DX/D-Ⅲ.08 | ||||||||||||||||||||||||||||||||||||||||||||||||||||||||||||||||||||||||||||||||||||||||||||||||||
| 34 | ZL50C-Ⅱ.8.7 | 1 | ZL50CX/DX/D-Ⅲ.08 | ||||||||||||||||||||||||||||||||||||||||||||||||||||||||||||||||||||||||||||||||||||||||||||||||||
| 35 | K13-Q11-720 | 1 | ZL50CX/DX/D-Ⅲ.08 | ||||||||||||||||||||||||||||||||||||||||||||||||||||||||||||||||||||||||||||||||||||||||||||||||||
| 36 | K13-A1Q1-1200 | 1 | ZL50CX/DX/D-Ⅲ.08 | ||||||||||||||||||||||||||||||||||||||||||||||||||||||||||||||||||||||||||||||||||||||||||||||||||
| 37 | SH60CA(LT) | 1 | ZL50CX/DX/D-Ⅲ.08 | ||||||||||||||||||||||||||||||||||||||||||||||||||||||||||||||||||||||||||||||||||||||||||||||||||
| 38 | GB/T5783-1986 | 4 | ZL50CX/DX/D-Ⅲ.08 | ||||||||||||||||||||||||||||||||||||||||||||||||||||||||||||||||||||||||||||||||||||||||||||||||||
| 39 | GB/T6170-1986 | 4 | ZL50CX/DX/D-Ⅲ.08 | ||||||||||||||||||||||||||||||||||||||||||||||||||||||||||||||||||||||||||||||||||||||||||||||||||
| 40 | JB982-1977 | 4 | ZL50CX/DX/D-Ⅲ.08 | ||||||||||||||||||||||||||||||||||||||||||||||||||||||||||||||||||||||||||||||||||||||||||||||||||
| 41 | JB999-1977 | 2 | ZL50CX/DX/D-Ⅲ.08 | ||||||||||||||||||||||||||||||||||||||||||||||||||||||||||||||||||||||||||||||||||||||||||||||||||
| 42 | ZL50DX.08.3 | 1 | ZL50CX/DX/D-Ⅲ.08 | ||||||||||||||||||||||||||||||||||||||||||||||||||||||||||||||||||||||||||||||||||||||||||||||||||
| 43 | GB/T5782-1986 | 4 | ZL50CX/DX/D-Ⅲ.08 | ||||||||||||||||||||||||||||||||||||||||||||||||||||||||||||||||||||||||||||||||||||||||||||||||||
| 44 | GB/T93-1987 | 8 | ZL50CX/DX/D-Ⅲ.08 | ||||||||||||||||||||||||||||||||||||||||||||||||||||||||||||||||||||||||||||||||||||||||||||||||||
| 45 | GB/T6170-1986 | 4 | ZL50CX/DX/D-Ⅲ.08 | ||||||||||||||||||||||||||||||||||||||||||||||||||||||||||||||||||||||||||||||||||||||||||||||||||
| 46 | GB/T5783-1986 | 4 | ZL50CX/DX/D-Ⅲ.08 | ||||||||||||||||||||||||||||||||||||||||||||||||||||||||||||||||||||||||||||||||||||||||||||||||||
| 47 | ZL50D-II.8.2 | 1 | ZL50DX/D-Ⅲ.08 | 


