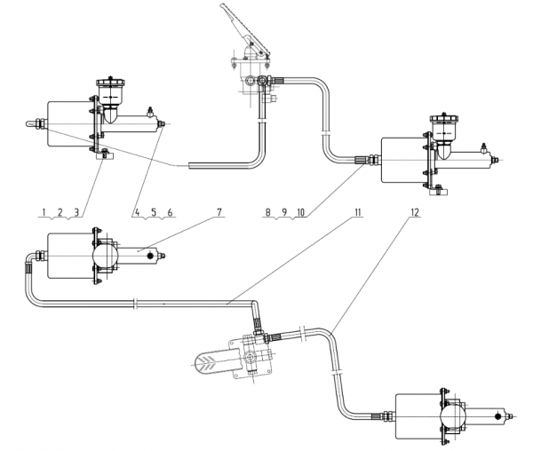
Агрегат-насос форсажа(Четырехклещевой мост)500F

№ п/п

Код деталей

Наименование

Коли-во

Примечание

1

805000727

螺栓M10X25

Болт

4

GB/T5783-2000

2

805300014

垫圈10

Шайба

4

GB/T93-1987

3

805300017

垫圈10

Шайба

4

GB/T97.1-2002

4

252900348

接头

Соединитель

2

 

5

805301410

组合垫圈14

Комбинированная шайба 14

2

JB/T 982-1977

6

803164132

O型密封圈6X1.8

О-образное кольцо

2

GB3452.1-92

7

800901159

空气加力泵XZ50K-3510002

Воздушный насос форсажа

2

 

8

251800289

接头

Соединитель

2

 

9

805301414

组合垫圈22

Комбинированная шайба

2

JB/T 982-1977

10

803164131

O形圈10.6X1.8

О-образное кольцо

2

GB/T 3452.1-1992

11

251804669

前加力缸气管

Воздуховод переднего цилиндра форсажа

1

 

12

251800721

气管

Воздуховод

1